建标库图纸模型 > 电气专业 > 市政 > 某太阳能路灯电气设计图1500490116
<< 返回列表
某太阳能路灯电气设计图1500490116文件大小:1.68M图纸张数:22张推荐人:吴斌_1229321所属分类:电气专业
分 享
下  载
建筑面积:地上层数:建筑高度:地下层数:高度类别:图纸深度:项目地址:江西省设计时间:2019

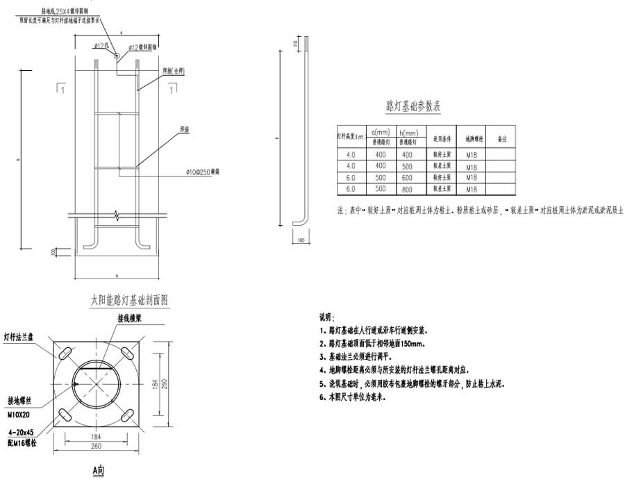
说明:某太阳能路灯电气设计图,路灯采用LED路灯,灯具结构均为一体化LED淘汰,压铸铝壳及钢化玻璃透光罩,灯罩防护等级IP65,维护系数0.7等。设计范围:1、太阳能路灯电气设计及安装方案。 2、太阳能路灯的抗风设计。 3、太阳能路灯的防雷设计。图纸内容含 太阳能路灯设计说明、材料表、照明标准横断面、路灯灯杆大样图、路灯基础大样图、路灯布线原理图、总平面设计图、照明平面设计图等。

s   ,正在等待响应...
客户端已接收到命令
s后关闭本提示框
已发送命令,通知建标库(PC版)打开“我的资源-已购买图纸”。建标库图纸,拥有超新超多的图纸模型资源,含建筑、结构、给排水、暖通、电气、规划、园林、模型等。
如果当前电脑尚未安装建标库(PC版)v7.0及以上版本,请在安装或更新完成后重试。
建标库客户端,阅读下载管理建筑规范。
声明:图纸模型网站的所有资源,均来源于用户上传、互联网收集等,版权归属原作者、原出处所有。本网站的相关资源仅供用户学习交流之用,请勿用做商业目的。若无意中侵犯到您的版权利益,敬请来信联系我们。请尽可能提供详细准确的信息,我们在收到您的说明文书后,会尽快予以处理。 查看详细规则

图纸模型网站的所有资源,均来源于用户上传、互联网收集等,版权归属原作者、原出处所有。本网站的相关资源仅供用户学习交流之用,请勿用做商业目的。若无意中侵犯到您的版权利益,敬请来信联系我们。请尽可能提供详细准确的信息,我们在收到您的说明文书后,会尽快予以处理。

用户通过“图纸模型 - 有奖上传 - 上传”功能,将文件、说明等提交到平台。平台的工作人员会进行初步审核及信息完善,然后根据质量、稀缺度等设定相应的积分、人民币价格,并上架到相应的分类中,供用户下载。只要资源被审核上架,平台就会对上传人进行一定的积分奖励。上架的资源被下载后,上传者还将持续获得下载人支付积分、人民币的一半收益。平台及相关专家,也会对优秀的资源进行重点推荐宣传等,促使上传者获得更多的收益。

鉴于部分用户会通过支付人民币下载资源,建议上传者尽早进行实名认证(含提现信息),方便上传者在获得人民币收益后快捷提现。若上传者没有及时进行实名认证等,可能会出现人民币收益受损,敬请知晓。

用户购买图纸模型资源下载完成后,可随时在本地进行查看、修改、复制等操作。鉴于网络服务的特殊性,已上架的资源在某些意外情况下也可能会下架,但只要还在上架中,用户就可以在一年内、任意设备上重新下载已花费人民币或积分购买的图纸模型资源。 由于图纸模型资源均来源于用户上传、互联网收集等,即使平台建立资源初审制度,但也无法对资源质量等做绝对的保证。如果用户对下载的资源有任何意见及建议,敬请到资源列表中进行点评,进一步提高本版块的资源品质。

本服务规则为暂行规则,官方将根据具体情况不断总结完善。

以上服务规则的最终解释权归本平台所有。