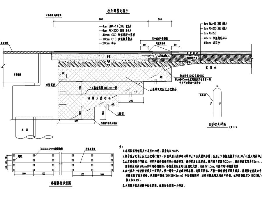
说明:本工程为市政道路快速化改造工程,包含立交工程。8 路道路等级为城市快速路,设计速度80km/h,双向6车道规模。辅路道路等级为城市主干路,设计速度50km/h,双向4~8车道规模。图纸内容主要包括道路工程、桥梁工程、照明工程、排水工程、交通设施工程、智能交通工程、施工便道等。图纸目录:施工说明、标段划分示意图、线路单元要素表、线路直曲表、主路平面设计图、匝道纵断面设计图、主路标准横断面设计图、路面结构设计图、侧平石设计图、桥头路基设计图、桥接坡路基设计图、L型挡土墙尺寸构造图、立交总体设计图和线位数据图、各方向匝道线路单元要素表和照明工程说明、主要设备材料表、供电回路清单、道路照明横断面设计图和平面设计图、防撞栏灯杆大样图和排水工程说明、排水平面设计图、雨水/污水纵断面设计图、排水检查井加强设计详图、球墨铸铁防坠落井盖、桥梁二标材料统计表和结构设计总说明、箱涵基坑支护平面图和断面图、箱涵剖面详图和配筋图和交通设施施工说明、标志基础设计图、声屏障预埋件设计图和智能交通系统施工说明、标志基础设计图-智能交通、电子 警察基础图、高架智能交通监控系统平面图、桥梁工程设计说明、工程数量表、桥位平面图、总体布置图、横断面图、标准墩构造图、桥台构造图、标准墩钢束图、桥墩(台)参数表、桩基钢筋图、灌浆套筒连接构造图、盖梁分块及接缝构造图、桥墩构造钢筋图、墩身钢筋图、标准骑跨承台钢筋图、承台构造钢筋图、结构总布置图、钢梁结构图、底层桥面板分块及结构图、桥面板钢筋布置图、桥面板结构图和钢筋图、墩顶横梁结构图和钢筋图、剪力钉布置图、支座布置图、施工步骤图、结构总布置图、钢主梁结构图、钢横梁结构图、桥面板分块及结构图和钢筋图、防撞护栏构造钢筋图、中央分隔带构造钢筋图、桥面铺装构造钢筋图、桥面排水管布置图、集水井构造图、桥台搭板构造钢筋图、梳齿板式伸缩缝构造安装图等。








打开系统设
执行注册

