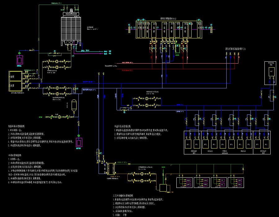
说明:该项目为某半导体磨片洁净车间改造项目多专业施工图(仅暖通有说明),图纸内容含:暖通说明,设备表,空调系统图,空调冷热水及冷却循环水系统图,暖通设备布置图,屋面设备和水管平面图,新风管平面图,工艺热排风平面布置图,工艺热排风排风机屋面布置图,回风地沟布置图,空调冷冻水系统图,空调系统图,壁板布置图,干盘管管道布置图,风管布置图,FFU及干盘管布置图,灯具布置图,配电干线图,配电箱系统图,二次回路图,照明平面图,安全指示灯平面图,插座平面图,桥架平面图,动力配电图,FFU网络图纸,自控系统平面图,热水泵电力平面图,空调冷热水及冷却循环水系统图,空调机组屋面冷热水平面布置图,冷却塔屋面冷却水轴测图,空调冷热水及冷却循环水轴测图,工艺设备布局图,空调冷热水平面图,纯水、工艺冷却循环水平面图,真空系统平面布置图,气体管道平面图,热水系统平面布置图,车间隔断布置图,技术夹层内隔断布置图,FFU龙骨平面布置图,地面装修平面图,吊顶平面图。专业包括电气、采暖通风、管道、装修。








打开系统设
执行注册

