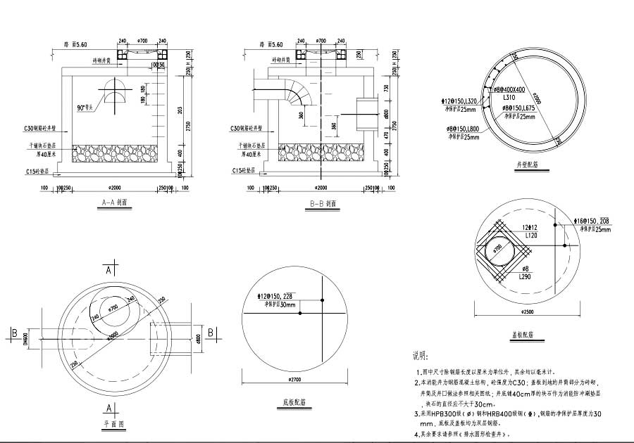
说明:某街道污水处理厂配套管网建设工程施工图,建设目的:收集和排放片区内污水。设计规模为:新建污水管道总长约 9400 米,管径 D258~D800;雨水管约100米,管径 D600~D1500;污水提升泵站1座,设计流量为3.25×104m3/d;一体化泵站1座,设计流量为0.53×104m3/d。图纸内容含:设计总说明,工程设计图例,项目位置图,片区污水总平面图,污水管道平面图,污水管道横断面图,污水管道纵断面图,污水管道支护平面图,污水管道清淤平面图,新建临时河涌平面图,临时河涌横断面图,U-PVC缠绕管管道基础图,承插式砼管道基础及接口图,压力管道沟槽挖、填方断面图,检查井大样图,倒虹管大样图,钢筋混凝土包裹管道大样图,消能井大样图,截污井大样图,截污控制检查井大样图,一体化泵站工艺图,泵井结构大样图,管道支墩大样图,小口径顶管工作井、接收井构造图,沟槽开挖支护示意图,沟槽开挖与回填示意图,围蔽板示意图,井盖及PA防坠网安装图,污水检查井表,压力管节点表,排水主要工程数量表等等。








打开系统设
执行注册

